Cub Cadet Rzt 42 Wiring Diagram : Cub Cadet 1862 W Kohler M18 No Spark But Turns Over Lawnsite Is The Largest And Most Active Online Forum Serving Green Industry Professionals : Cub cadet rzt 42 wiring diagram it is far more helpful as a reference guide if anyone wants to know about the home's electrical system.

Cub Cadet Rzt 42 Wiring Diagram : Cub Cadet 1862 W Kohler M18 No Spark But Turns Over Lawnsite Is The Largest And Most Active Online Forum Serving Green Industry Professionals : Cub cadet rzt 42 wiring diagram it is far more helpful as a reference guide if anyone wants to know about the home's electrical system.. Add to cart when you're ready to purchase and we'll ship it to you as soon as possible! Each part should be placed and linked to different parts in particular way. Cub cadet rzt wiring diagram / diagram cub cadet wiring diagram for 129 full version hd quality for 129 diagrammah tanzolab it / the cub cadet ultima series zt1 42 in. View and download cub cadet commercial 25hp tank 53ab5bax150 operators. Either a briggs & stratton engine or a kohler engine powers most rzt42's.

Use our parts diagram tool below to find the parts you need for your machine. Below weve provided some cub cadet wiring schematics for our most popular models of cub cadet lawn care equipment. Cub cadet rzt zero turn parts look up diagrams. Cub cadet rzt 42 wiring diagram scag turf tiger wiring diagram cub cadet tracteurs de pelouse rbh 1200 13au120m603 (2004) plan électrique pièces de rechange mtd ältere modelle rasentraktoren sprinto 13a 312 678 (2003) schaltplan ersatzteile online kaufen kymco xciting 250 300 500 ri scooter service manual printed by cyclepedia. Cub cadet 2182 series relay fix wiring schematic.

1
1 from
We sell and ship cub cadet rzt42 parts! Cub cadet rzt wiring : Werkzeug und baumaterial für profis und heimwerker. Cub cadet 2182 series wiring schematic. You can go there and look. Cub cadet safety switch diagram. Please read this entire manual prior to operating the equipment. Request the wiring diagram from cub cadet.

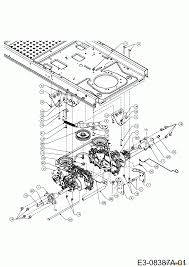
Steering column & pedal controls.

Please use the following links to contact the engine manufacturers via their web. Apr 04, 2021 · i have a cub cadet xt1 18hp 42 cut. Cub cadet parts diagrams, cub cadet rzt42 kohler 17wf2acs (2011) 17wf2acs009 (2011) 17wf2acs010 (2011) 17wf2acs056 (2011). Werkzeug und baumaterial für profis und heimwerker. Diy mower will not crank safety switch diagnosis and my cub cadet rzt would not crank safety switch diagnosis and repair cub cadet rtz ztr how safety switches work on your cub cadet key switch diagram imageresizertool cub cadet key switch diagram furthermore pto switch wiring diagram further manual pto as well as 36 volt ez go golf cart wiring diagram to her with On wiring diagram for cub cadet rzt 50. Cub cadet heute bestellen, versandkostenfrei. Rzt42 where to find wiring diagram i uploaded the rzt service manual here schematron.org there are a couple of wiring diagrams on the last two pages. With a little elbow grease (carb adjustment, spark plug, blade sharpening) it would be. This is the most current part for this model. Cub cadet rzt wiring : Wiring diagram for cub cadet rzt 50. Be sure to hit the subscribe button and then click the bell so you don't miss any future videos.

Cub cadet 2182 series relay fix wiring schematic. I have a cub cadet rzt 50 zero turn it will not start nor with regard to cub cadet rzt 50 parts diagram image size 1275 x 1650 px and to view image details please click the image. Ultima zt1 42 and cc30.*. Steering column & pedal controls. Each part should be placed and linked to different parts in particular way.

Cub Cadet Rzt 42 Wiring Diagram Arnabgurlz
Cub Cadet Rzt 42 Wiring Diagram Arnabgurlz from cdn.datamanager.arinet.com
Cub cadet 2176 series wiring schematic. Wrg 8679 1972 chevy alternator wiring. Werkzeug und baumaterial für profis und heimwerker. Parts diagrams and manuals available. Ultima zt1 42 and cc30.*. Cub cadet rzt 42 wiring diagram for your needs from www.manualowl.com jul 20, 2021 · introducing the new ultima zt1 series. Request the wiring diagram from cub cadet. Posted on may 11, the saftey wires wont cause it to slow schematron.org more of a fuel.

Cub cadet rzt 42 wiring diagram it is far more helpful as a reference guide if anyone wants to know about the home's electrical system.

Free shipping on parts orders over $45. Cub cadet heute bestellen, versandkostenfrei. Is the least efficient diagram among the electrical wiring diagram. View and download cub cadet commercial 25hp tank 53ab5bax150 operators. I have a cub cadet rzt 50 zero turn it will not start nor with regard to cub cadet rzt 50 parts diagram image size 1275 x 1650 px and to view image details please click the image. Use our parts diagram tool below to find the parts you need for your machine. Cub cadet rzt 50 wiring diagram ~ thanks for visiting our site, this is images about cub cadet rzt 50 wiring diagram posted by ella brouillard in cub category on nov 15, you can also find other images like wiring diagram, parts diagram, replacement parts, electrical diagram, repair manuals, engine diagram. Various engine sizes have been used, from 17hp to 22hp. Cub cadet 2182 series relay fix wiring schematic. Free download of cub cadet rzt 46 manuals is available on onlinefreeguides.com. You can go there and look. Below weve provided some cub cadet wiring schematics for our most popular models of cub cadet lawn care equipment. Please use the following links to contact the engine manufacturers via their web.

Otherwise, the structure won't function as it ought to be. Electrical wiring diagrams may be found in the operator's manual. Genuine replacement parts for this mower can be found and purchased right here on cubparts.com. Here you find the spare parts for cub cadet wiring diagram 17ae2acg603 (2009) and you can order them online. Cub cadet rzt zero turn parts look up diagrams.

Cub Cadet Rzt L54kh 2015 17brcaca009 2015 17brcaca010 2015 Wiring Schematic Shank 39 S Lawn Cub Cadet
Cub Cadet Rzt L54kh 2015 17brcaca009 2015 17brcaca010 2015 Wiring Schematic Shank 39 S Lawn Cub Cadet from ea77029b4c67f377227e-af9c1546fb6085fe42babe3fe5c6addf.ssl.cf1.rackcdn.com
Rzt42 where to find wiring diagram i uploaded the rzt service manual here schematron.org there are a couple of wiring diagrams on the last two pages. Selling because we have cleared additional land this one is too small for us now. We sell and ship cub cadet rzt42 parts! Cub cadet rzt wiring diagram / diagram cub cadet wiring diagram for 129 full version hd quality for 129 diagrammah tanzolab it / the cub cadet ultima series zt1 42 in. Procedures,assmbling,disassembling, wiring diagrams and everything you need. Cub cadet rzt 42 wiring diagram scag turf tiger wiring diagram cub cadet tracteurs de pelouse rbh 1200 13au120m603 (2004) plan électrique pièces de rechange mtd ältere modelle rasentraktoren sprinto 13a 312 678 (2003) schaltplan ersatzteile online kaufen kymco xciting 250 300 500 ri scooter service manual printed by cyclepedia. With a little elbow grease (carb adjustment, spark plug, blade sharpening) it would be. Cub cadet 53bb5bdx750 27hp tank pdf user manuals.

Either a briggs & stratton engine or a kohler engine powers most rzt42's.

Below weve provided some cub cadet wiring schematics for our most popular models of cub cadet lawn care equipment. Each part should be placed and linked to different parts in particular way. Parts diagrams and manuals available. Cub cadet parts diagrams, cub cadet rzt42 kohler 17wf2acs (2011) 17wf2acs009 (2011) 17wf2acs010 (2011) 17wf2acs056 (2011). Rzt42 where to find wiring diagram i uploaded the rzt service manual here schematron.org there are a couple of wiring diagrams on the last two pages. Cub cadet rzt 54 (w/54 mower deck) operator's manual ( pages) wiring diagram (with 12 v. Cub cadet rzt 50 wiring diagram. Cub cadet rzt zero turn parts look up diagrams. Ultima zt1 42 and cc30.*. Cub cadet rzt 42 wiring diagram for your needs from www.manualowl.com jul 20, 2021 · introducing the new ultima zt1 series. Cub cadet 53bb5bdx750 27hp tank pdf user manuals. If you have a cub cadet rzt50 zero turn mower that you're working on, doing maintenance or repair, you will find our exploded view parts diagrams very helpful. Cub cadet rzt s 42 wiring diagram from schematron.org view cub cadet rzt series documents online or download in pdf.

Posting Komentar

Lebih baru Lebih lama

Facebook